사용 이유?
- 다중 프로그래밍 시스템에서 다수의 프로세스를 수용하기 위해 주 기억장치를 동적으로 분리하는 메모리 관리 작업이 필요
- 메모리 관리 요구 조건
- 재배치
- 보호
- 공유
- 논리적 구성
- 물리적 구성
- 이때 논리적 구성에서 대표적인 메모리 관리 기술인 세그먼테이션이 있다.
메모리 관리
- 프로그램을 어떻게 메모리에 적재할 것인지 판단하는 것은 페이징과 세그먼테이션 외에 다른 기법도 존재
연속 메모리 관리
- 프로그램 전체가 하나의 커다란 공간에 연속으로 할당되어야 하는 방법
- 고정 분할 기법
- 주 기억 장치가 고정된 파티션으로 분할
- 구현이 간단하여 운영체제에 오버헤드가 거의 없음
- 내부 단편화 발생
- 동적 분할 기법
- 파티션들이 동적으로 생성되며 자신의 크기와 같은 파티션에 적재
- 내부 단편화가 없고, 주 기억장치를 보다 효율적으로 사용할 수 있음
- 외부 단편화 발생

- 연속 메모리 관리 기법을 사용하면 단편화 현상이 발생
- 단편화 현상이란 기억장치의 빈 공간 또는 자료가 여러 조각으로 나뉘는 현상을 말한다.
- 프로세스들이 메모리에 적재되고 제거되는 일이 반복되면 프로세스들이 차지하는 메모리 틈 사이에 사용하지 못할 만큼의 자유 공간이 늘어나는 것을 말함
내부 단편화

- 프로세스가 사용하는 메모리 공간에 남는 부분
- 프로세스가 요청한 양보다 더 많은 메모리를 할당할 때 발생
- 메모리 분할 자유 공간과 프로세스가 사용하는 공간의 크기 차이를 의미함
외부 단편화

- 메모리 공간 중 사용하지 못하게 되는 부분
- 메모리 할당 및 해제 작업의 반복으로 작은 메모리가 중간 중간 존재할 수 있다.
- 사용하지 않는 메모리가 존재해서 총 메모리 공간은 충분하지만 실제로 할당할 수 없는 상황
- 외부 단편화를 해결하기 위해 압축을 이용하여 프로세스가 사용하는 공간을 한쪽으로 몰 수 있지만, 작업 효율이 좋지는 않다
불연속 메모리 관리
- 프로그램의 일부가 서로 다른 주소 공간에 할당될 수 있는 기법
- 단편화 문제를 해결하기 위해 제시된 기법
- 페이징과 세그먼테이션이 여기에 있다.
- 외부 단편화 해소를 위한 페이징과 내부 단편화 해소를 위한 세그먼테이션으로 나뉨
- 용어 정리
- 페이지(Page) : 작은 고정 크기의 프로세스 조각
- 프레임(Frame) : 페이지와 크기가 같은 주 기억 장치의 메모리 조각
- 페이지 테이블 : 프로세스의 각 페이지에 해당하는 프레임 위치 관리
- 단편화 : 기억 장치의 빈 공간 또는 자료가 여러 조각으로 나뉘는 현상
- 단순 페이징 : 고정 분할 기법과 유사
- 세그먼트 : 서로 다른 크기를 가지는 논리적인 블록이 연속적인 공간에 배치되어 있는 것
- 종류
- 고정크기 : 페이징(Paging)
- 가변크기 : 세그먼테이션(Segmentation)
페이징(Paging)
- 프로세스를 일정한 크기의 페이지로 분할하여 메모리에 적재하는 기법
- 하나의 프로세스가 사용하는 메모리 공간이 연속적이여야 한다는 제약을 없애는 메모리 관리 방법
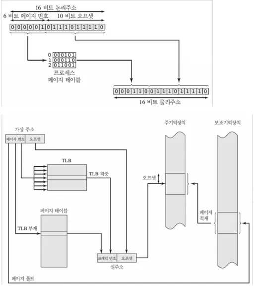
페이지 테이블

- 물리 메모리는 고정 크기 프레임으로, 가상 메모리는 고정 크기 페이지로 분리되어 있음
- 개별 페이지는 순서에 상관 없이 물리 메모리에 있는 프레임에 메핑되어 저장됨
- 모든 프로세스는 하나의 페이지 테이블을 가지고 있다.
- 메인 메모리에 적재된 페이지 번호와 해당 페이지가 위치한 메인 메모리의 시작 주소가 있음
- 하나의 프로세스를 나눈 가상 메모리의 페이지들이 각각 실제 메인 메모리의 어떤 프레임에 적재되어 있는지 알 수 있음

- 위 페이징 테이블에서는 P1 프로세스의 0번째 페이지가 메인 메모리의 5번째 프레임에 있는 것을 알 수 있다.
논리 주소와 페이지 테이블

- 메모리 관리 장치(MMU)에서는 가상 주소(논리 주소)를 이용해 실제 데이터가 담겨있는 주소로 변환 함
- 논리 주소는 <page, offset>과 같은 형태로 구성되어 이를 통해 물리 주소로 변환
장단점
- 장점
- 논리 메모리는 물리 메모리에 저장될 때 연속되어 저장될 필요가 없다
- 물리 메모리의 남는 프레임에 적절히 배치되기 때문에 외부 단편화가 생기지 않음
- 단점
- 내부 단편화 문제가 발생할 수 있음
- 페이지 단위를 작게하면 해결할 수 있지만, 페이지 매핑 과정이 복잡해져 오히려 비효율적임
세그먼테이션(Segmentation)

- 가상 메모리를 서로 다른 크기의 논리적 단위로 분할한 것을 의미
- 프로세스를 물리적 단위인 페이지가 아닌 논리적 단위인 세그먼트로 분할하여 메모리에 적재
- 세그먼트는 의미가 같지 않은 논리적 내용을 기준으로 프로그램을 분할하기 때문에 크기가 같지 않음
세그먼트 테이블
- 분할 방식을 제외하고 페이징과 세그먼테이션이 동일하기 때문에 매핑 테이블의 동작 방식도 동일함
- 단, 논리 주소의 앞 비트들은 페이징 번호가 아닌 세그먼트 번호가 됨
- <segment, offset> 형태로 구성
- 세그먼트 번호를 통해 세그먼트의 기준(세그먼트의 시작 물리 주소)와 한계(세그먼트의 길이)를 파악할 수 있음
장단점
- 장점
- 내부 단편화 문제가 해소됨
- 보호와 공유 기능을 수행할 수 있음
- 프로그램의 중요한 부분과 중요하지 않은 부분을 분리하여 저장할 수 있고 같은 코드 영역은 한 번에 저장할 수 있음
- 단점
- 외부 단편화 문제가 생길 수 있음
페이징과 세그먼테이션
단순 페이지
- 각 프로세스는 프레임과 같은 길이를 가진 균등 페이지로 나뉨
- 외부 단편화가 생기지 않음
- 내부 단편화가 존재할 수 있음
단순 세그먼테이션
- 각 프로세스는 여러 세그먼트로 나뉨
- 내부 단편화가 생기지 않음
- 메모리 효율을 개선함
- 동적 분할을 통한 오버헤드가 감소함
- 외부 단편화가 존재할 수 있음
가상 메모리 페이징
- 단순 페이징과 비교해 프로세스 페이지 전부를 로드할 필요가 없음
- 필요한 페이지가 있으면 나중에 자동으로 불러들임
- 외부 단편화가 생기지 않음
- 복잡한 메모리 관리로 오버헤드가 발생할 수 있음
가상 메모리 세그먼테이션
- 필요하지 않은 세그먼트들은 로드되지 않음
- 필요한 세그먼트가 있을 때 나중에 자동으로 불러들임
- 내부 단편화가 생기지 않음
- 복잡한 메모리 관리로 오버헤드가 발생할 수 있음
출처
페이징(Paging)과 세그먼테이션(Segmentation)
이 기법을 쓰는 이유는 다중 프로그래밍 시스템에서 다수의 프로세스를 수용하기 위해 주기억장치를 동적으로 분할하는 메모리 관리 작업이 필요함즉, 단일 프로그램만 쓰는 것이 아니기 때문
velog.io
https://github.com/gyoogle/tech-interview-for-developer
GitHub - gyoogle/tech-interview-for-developer: 👶🏻 신입 개발자 전공 지식 & 기술 면접 백과사전 📖
👶🏻 신입 개발자 전공 지식 & 기술 면접 백과사전 📖. Contribute to gyoogle/tech-interview-for-developer development by creating an account on GitHub.
github.com
'CS > Operating System' 카테고리의 다른 글
| [Operating System] 메모리(Memory) (0) | 2024.04.21 |
|---|---|
| [Operating System] 페이지 교체(Page Replacement) 알고리즘 (0) | 2024.04.21 |
| [Operating System] 세마포어(Semaphore) & 뮤텍스(Mutex) (0) | 2024.04.21 |
| [Operating System] Race Condition(경쟁 상태) (0) | 2024.04.08 |
| [Operating System] IPC(Inter Process Communication) (0) | 2024.04.08 |